DIY Projects: What You Need to Build a 2D Boombox
2023-02-09 | By Maker.io Staff
License: See Original Project
Courtesy of TDK
The world's thinnest boombox was inspired by TDK's PiezoListen™, among the world's thinnest piezoelectric speakers.
When we invited Joe Grand (aka Kingpin) to design a product using TDK components, he was intrigued by the idea of creating something using our PiezoListen speakers. He proposed using them to design his own version of a 1980s-style boombox.
Grand's final boombox design is unique. It is 22 inches wide and 16 inches tall, but less than half an inch thick. While every modern electronics system has a case or cabinet that houses and protects the printed circuit board (PCB) and other product elements, Grand's boombox is the board.
Aesthetic choices drove some design and manufacturing decisions that added significant cost to this project. Still, anyone else could use the same key elements to build an economical version of the boombox.
The key elements include:
- PiezoListen speakers (TDK)
- Piezo speaker driver (Texas Instruments)
- Audio stereo DAC (Texas Instruments)
- Raspberry Pi Zero (Raspberry Pi Foundation)
- Capacitive touch & LED driver (Microchip)
- Buffer (onsemi) and LEDs (Adafruit)
See Figure 1 for a full bill of materials (BOM)
Figure 1: The bill of materials for the world's thinnest boombox. (Joe Grand, Grand Idea Studio).
It Started with the Speakers
One manifestation of the piezoelectric effect is when an electric current is applied to a material causing it to deform. It is possible to cycle the current to get the material not just to deform but to vibrate at desired frequencies, effectively using the piezoelectric effect to create sound. Piezoelectric speakers have a number of applications. Still, they are becoming increasingly popular in automotive audio systems where their minimal size and light weight are as important as their acoustic performance.
TDK's PiezoListen speakers feature an operating frequency range of 400 to 20,000 Hz and achieve a high sound pressure of 80 dB, even at low voltages. The speakers have a maximum output power of 34 W. With thicknesses from 0.49 mm to 0.76 mm, PiezoListen devices are among the thinnest piezo speakers available. For this project, Grand used the PHUA6630-076B at 66 mm x 30 x mm and just 0.76 mm thick.
Grand's boombox design affixes two PiezoListen speakers directly to the circuit board, in effect turning the PCB itself into a speaker.
Raspberry Pi Board
For system control, Grand selected a Raspberry Pi Zero 2 W, which the Raspberry Pi Foundation describes as "the original $5 computer." The Pi Zero is based on Broadcom's BCM2835 chip which incorporates a single-core, 1GHz ARM1176JZF-S processor. The Raspberry Pi Foundation says the 2835 version used in the Pi Zero is 40% faster than similar processors used in previous Pi modules.
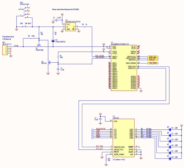
As shown in Figure 2, the Pi Zero 2 W controls the capacitive touch unit, the piezo driver and stereo audio DAC (digital to analog converter), and the buffer for the boombox's LEDs.
Figure 2: The hardware block diagram for the boombox shows the major elements of the design. A Raspberry Pi Zero 2 W controls the board.
Piezo Driver and DAC
Grand received a recommendation that TDK's PiezoListen pairs well with the LM48580 piezo driver from Texas Instruments.
The LM48580 is a fully differential, high-voltage driver for piezo actuators (and also for ceramic speakers) for portable multimedia devices. TI says that the LM48580 Class H architecture offers power savings compared to traditional Class AB amplifiers. It is a single supply driver with an integrated boost converter which allows the device to deliver 30 VP-P from a single 3.6 V supply.
TI was also source for the DAC. Grand used the PCM5100A, a 100dB audio stereo DAC with a 32-bit, 384kHz PCM Interface. TI's PCM510xA devices use the latest generation of TI’s advanced segment- DAC architecture, which the company says achieves "excellent dynamic performance and improved tolerance to clock jitter."
Capacitive Touch Driver, Buffer, and LEDs
Grand's design includes capacitive touch buttons for all the functions of the boombox (play/pause, stop, volume up, volume down, next song, previous song). The driver he selected was Microchip's CAP1166. The 1166 is a turnkey capacitive touch controller for low-cost touch interfaces. It contains 6 LED drivers that offer full-on / off, variable rate blinking, and dimness controls.
A non-inverting buffer from Onsemi, the 74VHC1GT125, was selected to serve as a leveler for a two dozen AdaFruit NeoPixel LEDs (SK6812 MINI-E) that the design called for embedding into the PCB to make the PCB material glow from within.
The Thickest Part
By one measure, the most important element of the design was the battery. The marquee feature of the world's thinnest boombox is its depth. As the largest component in the boombox, the size of the battery would determine exactly how thin the boombox would be.
Grand selected a Li-Polymer, 5V @ 2A, 5000mAh, battery that measured 123 x 66mm. Those dimensions ultimately led to a boombox that was 0.45 inches (11.43 mm), which included a protective frame that Grand also created out of PCB material to protect the components and battery.
Figure 3: The software block diagram for the boombox. Most of the software was open source. Some code was modified.
Software Choices
Grand considers himself a hardware engineer who can code when he needs to, so going the open-source route was a natural decision.
Pi Zero comes with the Raspberry Pi OS of course. Grand turned to Pimoroni because it already had software modules written for controlling the audio DAC, capacitive touch driver, and basic VU meter, though he modified some of the code to fit his exact needs.
For a music player, Grand chose Mopidy. Mopidy is an extensible music server written in Python. Mopidy plays music from a local disk, and with extensions can support streaming sources such as Spotify, SoundCloud, and TuneIn. Grand wrote a custom extension to allow the capacitive touch buttons to directly control the Mopidy software.
The Boombox as a DIY Project
Grand has released the schematics and documentation of his boombox on his website (http://www.grandideastudio.com/the-worlds-thinnest-boombox/). The design is open source under a Creative Commons International license.
Grand's boombox has no case or cabinet. It lights up as if from within by virtue of its LEDs being embedded directly in the PCB material. The face of the PCB is itself a piece of art. These were some of the aesthetic choices mentioned earlier that had significant cost ramifications.
Engineers or hobbyists looking to build their own versions of the world's thinnest boombox can easily avoid those costs.
Big Costs that Could Easily be Evaded
Artwork: Grand elected to work with a friend of his, artist Mar Williams, to design the graphics for the face of the boombox. Having seven different Pantone colors required seven solder mask layers that had to be aligned precisely.
Controlled depth milling: In order to get a boombox that lit up from within, Grand directed the PCB manufacturer to mill cavities that go only part of the way through the PCB, rather than drill through-holes. When the LEDs are inserted into the cavities and activated, their light permeates the PCB material, giving it the appearance of being lit from within.
Via-in-pad (VIP): A PCB manufacturing technique typically used with highly dense component packages like microBGA or chip-scale in order for their signals to fan out properly to the PCB. Essentially, the PCB's vias (inter-layer connections) are fabricated directly into the component's landing pads instead of using traditional vias that stand alone on the PCB. VIP was required for the piezo driver, so Grand decided to use it for all components on the board, thus hiding every signal trace and connection.
Capacitive touch buttons: Traditional buttons would work just as well.





