VODA1275B4T Automotive MOSFET Driver
The Vishay Opto VODA1275B4T Automotive MOSFET driver with fast switching times and robust insulation is ideal for demanding automotive environments
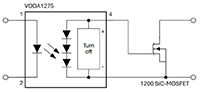
The Vishay Opto VODA1275B4T automotive-qualified MOSFET driver offers a typical output voltage of 20 V, creepage distance of 8 mm, and a comparative tracking index (CTI) of 600. It ensures high reliability and safety for electric vehicle and energy storage applications, supporting gate voltages up to 20 V and isolation ratings suitable for 800 V battery systems. With fast switching times and robust insulation, the VODA1275B4T is ideal for demanding automotive environments.
- Increased safety and reliability using mold compound with CTI of 600
- VIORM = 1260 VPEAK, VISO = 5000 VRMS
- Drive IGBTs and MOSFETs with gate voltage up to 20 V
- VIORM of 1260 V makes it suitable for 800 V battery systems
VODA1275B4T Automotive MOSFET Driver
| Abbildung | Hersteller-Teilenummer | Beschreibung | Verfügbare Menge | Preis | Details anzeigen | |
|---|---|---|---|---|---|---|
![]() | VODA1275B4T | AUTOMOTIVE-QUALIFIED MOSFET DRIV | 0 - Sofort | $2.00 | Details anzeigen |


